Produktsammendrag
| RVE35 Series Solar Pump VFD | | |
| | DC/AC-INNGANG | |
| | Raffinert design | |
| | MPPT | |
| Parametrisk | ||
| Modell | RVE35-T3-0R7GB ~ RVE35-T3-4GB |
| Spenning | 350VDC til 800/900VDC inngang, 3 PH 380VAC til 440VAC inngang | |
| P karakter (kW) | 0,75/1,5/2,2/4 | |
| Merkestrøm (A) | 2,5/3,7/5/10/13 | |
| MPPT Vmp/Voc | 540/660 | |
| Dimensjoner (mm) | 187*86*152 | |
Søknadsbakgrunner
| I de siste årene, med økende alvorlighetsgrad av det globale "matproblemet" og "energiproblemet", har solenergivannpumper gradvis blitt hyllet som de effektive industrielle integreringsproduktene for å løse problemet med å øke produksjonen av effektiv dyrket mark og erstatte fossil energi med ren energi. Som et resultat ble en fremvoksende økonomisk modell født der solenergiindustrien utviklet seg i kombinasjon med tradisjonelle næringer som landbruksvannkonservering, ørkenkontroll, husholdningsvannbruk og urbant vannlandskap. |
Produktfunksjoner
• Maksimal power point tracking (MPPT) med rask responshastighet og stabil drift
• Beskyttelse mot tørrkjøring (under belastning).
• Motor maksimal strømbeskyttelse
• Beskyttelse mot inngangseffekt
• Beskyttelse mot lav stoppfrekvens
• PQ (power/flow) ytelseskurve gjør det mulig å beregne strømningseffekten fra pumpen
• Digital styring for helautomatisk drift, datalagring og beskyttelsesfunksjoner
• Intelligent strømmodul (IPM) for hovedkretsen
• LED-skjermens betjeningspanel og støttefjernkontroll
• Dual-modus AC- og DC-strømforsyningsinngang er tilgjengelig
• Sensesensor for lavt vann og kontrollfunksjon for vannnivå
• Omgivelsestemperatur for bruk: -10 til 50˚C.
| Raffinert design Installasjonsareal redusert med 50 % Volum redusert med 30 % | |
| | Den helautomatiske tresikre malingsmaskinen brukes til å tykne det beskyttende laget på kretskortet, og forhindrer effektivt skade på kretskortet forårsaket av vindstøv, korrosiv gass og fuktig luft. |
| | Bruk helautomatisk deteksjonsutstyr for å teste ulike elektriske indikatorer og beskyttelsesfunksjoner til produkter under nominell belastning. |
| | Alle ferdige produkter lagres under belastning i 48 timer ved en høy temperatur på 60 grader, og deretter testes alle elektriske indikatorer under belastning for å redusere produktfeilfrekvensen. |
Modellnomenklatur
Generell type S2-serie:
Vmp 310VDC eller 220VAC inngang, 1/3 fase 0-220VAC utgang
| Modelll | Vurdert gjeldende ( A ) | Utgangsspenning ( VAC ) | Gjelder for kraft (kW) pumpe | Utvendig av stasjonsstørrelse H*B*D (mm) | MPPT Vmp/Voc |
| RVE35-S2-0R7G | 4 | 0-220 | 0.75 | 187*86*152 | 310/372 |
| RVE35-S2-1R5G | 7 | 0-220 | 1.5 | ||
| RVE35-S2-2R2G | 10 | 0-220 | 2.2 | ||
| RVE35-S2-3G | 13 | 0-220 | 3 | 265*105*164 | |
| RVE35-S2-4G | 16 | 0-220 | 4 |
Generell type T3-serie:
Vmp540 til 650VDC eller 380 til 460VAC inngang, 3 fase 0-380/460VAC utgang
| Modelll | Vurdert gjeldende ( A ) | Utgangsspenning ( VAC ) | Gjelder for kraft (kW) pumpe | Utvendig av stasjonsstørrelse H*B*D (mm) | MPPT Vmp/Voc |
| RVE35-T3-0R7GB | 2,5/3,7 | 0-380/440 | 0.75 | 187*86*152 | 540/660 |
| RVE35-T3-1R5GB | 3,7/5 | 0-380/440 | 1.5 | ||
| RVE35-T3-2R2GB | 5/10 | 0-380/440 | 2.2 | ||
| RVE35-T3-4GB | 13/10 | 0-380/440 | 4.0 | ||
| RVE35-T3-5R5GB | 13/16 | 0-380/440 | 5.5 | 265*105*164 | |
| RVE35-T3-7R5GB (plastdeksel) | 25/16 | 0-380/440 | 7.5 | ||
| RVE35-T3-7R5GB (jernetui) | 25/16 | 0-380/440 | 7.5 | 333*150*216 | |
| RVE35-T3-11GB | 25/32 | 0-380/440 | 11 | ||
| RVE35-T3-15GB | 32/38 | 0-380/440 | 15 | ||
| RVE35-T3-18GB | 38/45 | 0-380/440 | 18 | 383*180*228 | |
| RVE35-T3-22GB | 45/60 | 0-380/440 | 22 | ||
| RVE35-T3-30GB | 60/75 | 0-380/440 | 30 | 435*175*265 | |
| RVE35-T3-37GB | 75/90 | 0-380/440 | 37 | ||
| RVE35-T3-45G | 90/110 | 0-380/440 | 45 | 670*265*358 | |
| RVE35-T3-55G | 110/150 | 0-380/440 | 55 | ||
| RVE35-T3-75G | 150/170 | 0-380/440 | 75 | ||
| RVE35-T3-90G | 170/210 | 0-380/440 | 90 | 845*305*358 | |
| RVE35-T3-110G | 210A/250 | 0-380/440 | 110 | ||
| RVE35-T3-132G | 250A/300 | 0-380/440 | 132 | ||
| RVE35-T3-160G | 300A/340 | 0-380/440 | 160 | 788*500*360 | |
| RVE35-T3-185G | 340/380 | 0-380/440 | 185 | ||
| RVE35-T3-200G | 380/415 | 0-380/440 | 200 | 900*540*358 | |
| RVE35-T3-220G | 415/470 | 0-380/440 | 220 | ||
| RVE35-T3-250G | 470/520 | 0-380/440 | 250 | ||
| RVE35-T3-280G | 520/600 | 0-380/440 | 280 | 1035*620*400 | |
| RVE35-T3-315G | 600/680 | 0-380/440 | 315 | ||
| RVE35-T3-355G | 680/750 | 0-380/440 | 355 | 1290*780*410 | |
| RVE35-T3-400G | 750/810 | 0-380/440 | 400 |
Utmerket ytelse
| | Høyytelses vektorkontroll for å forbedre utstyrets nøyaktighet |
| Maksimal utgangsfrekvens under vektorkontroll når 1500 Hz, noe som kan oppnå høypresisjonshastighetsutgang innenfor det 1o ganger svake magnetiske hastighetsreguleringsområdet. | |
| | |
| | Perfekt driv for synkronmotorer |
| Gjeldende bølgeform for synkronmotor i åpen sløyfe vektorkontrollmodus ved 500 Hz med 100 % nominell belastning. | |
| | |
| | Pålitelig varmeavledningsdesign |
| Den uavhengige doble luftkanaldesignteknologien kan realisere bruken av solpumpedriften med 50 ℃ ringtemperatur uten kapasitetsreduksjon. |
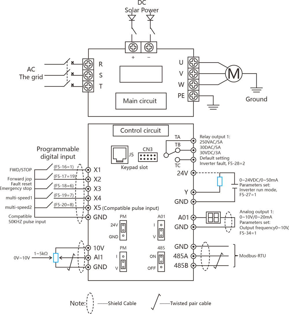
Koblingsskjema
For RVE35 0,75kw-7,5kw produkter, vær oppmerksom på følgende:
1. Produktet inneholder ikke X6 og X7 logiske inngangsterminaler;
2. Produktet inkluderer kun 1 analog inngang, 1 analog utgang og 1 reléutgang











































